products detial
JDZ(X)W-10R Outdoor High-Voltage Voltage Transformer

Model meaning

Technical Parameters
◆Power factor of load: COSφ=0.8 (hysteresis);
◆Rated frequency: 50 or 60Hz;
◆Pollution level: Grade II ;
◆Ambient temperature: the lowest temperature is -5℃ , the highest temperature is 40℃ , and the daily average temperature is not more than 30℃ ;
◆Altitude:≤2000 meters;
◆Product standard: GB20840.1 GB20840.3.
Technical Data Sheet
Model |
Rated primary voltage(v |
Rated secondary voltage( |
Auxiliary winding voitage(V | Secondary winding rated output(VA) |
Limit output(VA) |
Rated insulation level(kV) | ||
0.2 | 0.5 | 3(6)P | ||||||
JDZXW-10R | 3000/√3 | 100/√3 | 100/3 | 30 | 50 | 120 | 800 | 3.6/25/40 |
6000/√3 | 100/√3 | 100/3 | 30 | 50 | 120 | 7.2/32/60 | ||
100/√3/100/√3 | 30 | 50 | 800 | |||||
10000/√3 | 100/√3 | 100/3 | 30 | 50 | 120 | 800 | 12/42/75 | |
100/√3/100/√3 | 15 | 15 | 800 | |||||
Model | Rated voltage(v | Secondary winding rated output(VA) |
Limit output(VA) | Rated insulation level(kv) | ||||
Primary winding | Secondary winding | 0.2 | 0.5 | 3P | 6P | |||
JDZW-6R | 6000 | 100 | 30 | 50 | 80 | 200 | 1000 | 7.2/32/60 |
220 | ||||||||
100/220 | ||||||||
100/100 | 30 | 30 | ||||||
JDZW-10R | 10000 | 100 | 30 | 80 | 120 | 300 | 1000 | 12/42/75 |
220 | ||||||||
100/220 | ||||||||
100/10o | 15 | 20 | ||||||
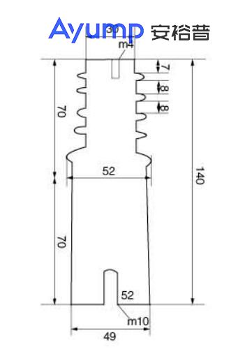
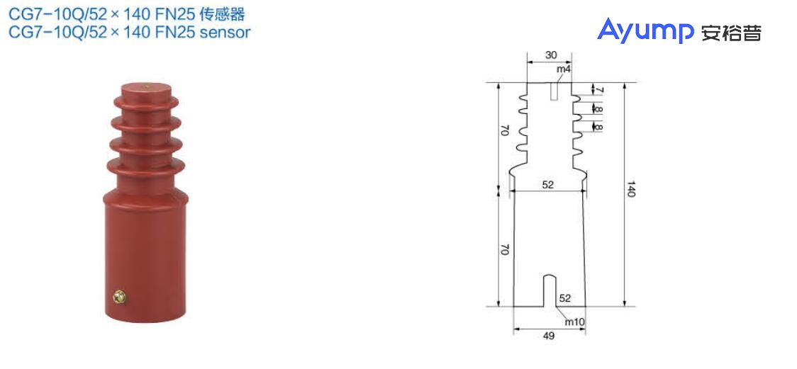
Shape and installation dimensions(mm)
